Датчик давления масла
См. разделы "Масляный коллектор" или "Крышка развала блока" этой главы в зависимости от исполнения двигателя.
Снятие
1. Поднимите автомобиль и установите под раму стойки безопасности.
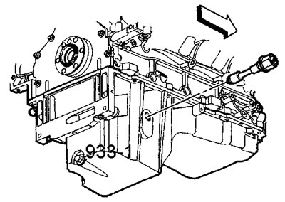
2. Подведите под сливную пробку масляного поддона емкость для сбора масла.
3. Выверните сливную пробку (430), слейте масло.

4. Установите сливную пробку на место. Затяните пробку. Момент затяжки 25 Нм.
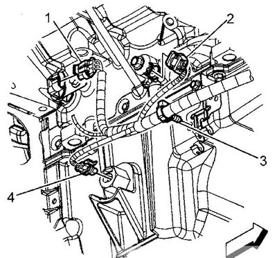
5. Отсоедините разъем (4) датчика уровня масла.

6. Выверните датчик уровня. Момент затяжки 20 Нм.

Установка
7. Установка проводится в обратном порядке.
