ChevyMan.ru
Mazda Mitsubishi Toyota Land Rover Honda Kia Nissan
Български Русский
English
Беларускі
Український
Српски
Hrvatski
Română
Polski
Slovenský
Magyar
|
Статии | Карта | Контакти | Търсене:
 
 
 
 
 
 
 
 
Главна   Aveo   Captiva   Cruze   Lacetti   Lanos   Niva   Tahoe   Всичкия  
Тахо 2 и 3 (2000-2014) Тахо 1 (1992-2000)
  • Главна
  • Тахо
  • 1 (1992-2000)
  • Електрическо оборудване
  • Електрически схеми
  • Типична електрическа схема на устройства и превключвате…

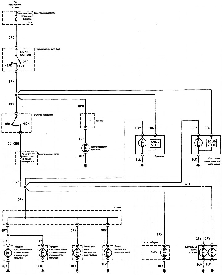
Типична електрическа схема на устройства и превключватели (модели от 1995 г.) (Chevrolet Tahoe 1)

            0

Типична електрическа схема на устройства и превключватели (модели от 1995г)





Отворете в нов прозорец →

[Оригиналният източник на статията е уебсайтът: «chevyman.ru»]

Статията е проверена: Владимир Романников
Тази статия е достъпна на руски, английски, беларуски, украински, сръбски, хърватски, румънски, полски, словашки, унгарски

Сподели информация:

Предишни статии
Тахо 1: Електрически схеми
Следващи статии

Типична електрическа верига за управление на климатика и отоплението (модели преди 1994 г.)
Типична електрическа верига за управление на климатизация и отопление (модели от 1995 г.)
Принципна схема на управляващата верига за двигатели 5.0, 5.7 и 7.4 L
Схематична диаграма на управлението на двигателя 4.3L (модели от 1996 г.)
Схематична диаграма на системата за управление на двигателя (модели 1987-1995)
Вътрешно осветление, осветление на вратите и двигателното отделение (модели преди 1995 г.)
Система за захранване на ключалката на вратата (с изключение на ключалката на вратата на кабината на водача)
Захранваща система за заключване на вратата (1995 г. и по-нови модели)
Захранваща система за заключване на вратата (модели от 1990 г. и по-нови)
Електрическа схема на електрически стъклоповдигач на 2 врати


Вижте подобни статии по темата автомобили Chevrolet:
Електрическа схема на имобилайзера Шевролет Aveo T200 (2003-2008)
Електрическа схема на захранващи устройства Шевролет Captiva 1 (2006-2018)
Схема 28. Устройства за измиване на предното стъкло на автомобила Шевролет Круз 1 (2008-2016)
Електрическа схема за осветление на арматурното табло, превключватели, пепелник, часовник и аудио система Шевролет Lacetti 1 (2002-2009)
Електрическа схема на дясно външно огледало за обратно виждане с електрическо задвижване Шевролет Lanos T150 (2002-2009)
Превключватели на кормилната колона Шевролет Niva 1 (2002-2016)
Схема на свързване на превключватели (лампи) на фаровете Шевролет Lumina 1 (1989-1994)
Връзка в различни формати към тази страница
TextHTMLBB Code


Коментари на посетители

Без коментари все още


Колко ще 35 + 31 =

       



Тахо 2 и 3 (2000-2014) 
  • Обща информация
  • Характеристики на автомобила
  • Устройство на автомобила
  • Ръководство за работа
  • Поддръжка
  • Силовия агрегат
  • Ремонт на двигател
  • Основен ремонт на двигателя
  • Охладителна система
  • Впръскване и управление
  • Изпускателна система
  • Електрическо оборудване
  • Трансмисия
  • Автоматична кутия 4L-60E/65E/70E
  • Автоматична кутия 6L-50/80/90
  • Раздатъчна кутия
  • Задвижващи валове и кардан
  • Предна задвижваща ос
  • Заден задвижващ мост
  • Шаси
  • Окачване на автомобила
  • Кормилно управление
  • Спирачна система
  • Каросерия (до 2007 г.)
  • Екстериор (външни елементи)
  • Интериор (вътрешни елементи)
  • Врати, брави и прозорци
  • Отопление и климатизация
  • Система за сигурност (SRS)
  • Каросерия (от 2007 г.)
  • Екстериор (външни елементи)
  • Врати, брави и прозорци
  • Интериор (вътрешни елементи)
  • Електрическо оборудване
  • Електрически уреди (преди 2007 г.)
  • Осветление и лампи (преди 2007 г.)
  • Аудио система (преди 2007 г.)
  • Електрически уреди (от 2007 г.)
  • Осветление и лампи (от 2007 г.)
  • Аудио система (от 2007 г.)
  • Електрически схеми (2000-2005)
  • Електрически схеми (2005-2007)
  • Електрически схеми (от 2007 г.)

 

Тахо 1 (1992-2000) 
  • Обща информация
  • Инструкции за работа
  • Поддръжка
  • Силовия агрегат
  • Двигател в колата
  • Ремонт на свалени двигател
  • Охладителна система
  • Отопление и климатизация
  • Горивна и изпускателна системи
  • Намаляване на токсичността
  • Трансмисия
  • Ръчна скоростна кутия
  • Автоматична скоростна кутия
  • Раздатъчна кутия
  • Съединител и задвижващи валове
  • Шаси
  • Спирачна система
  • Окачване на автомобила
  • Кормилно управление
  • Каросерия
  • Ремонт на каросерийни части
  • Електрическо оборудване
  • Електрика на двигателя
  • Оборудване и инструменти
  • Електрически схеми

 

ChevyMan.ru © 2017-2025 · Мобилна версия · Обратна връзка · Търсене в сайта · Интересно за четене · Карта на сайта: EN BG BY UA RS HR RO PL SK HU

Aveo 2003-2008 · Aveo 2006-2011 · Aveo 2012-2018 · Captiva 2006-2018 · Cruze 2008-2016 · Lacetti 2002-2009 · Lanos 2002-2009 · Niva 2002-2016 · Tahoe 1992-2000 · Tahoe 2000-2014 · Lumina 1 1989-1994 · Trailblazer 1 2001-2008 · Orlando 1 2010-2018 ·