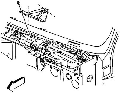
Снятие
1. Снимите рычаги очистителя.
2. Снимите решетку воздухозаборника.
3. Отверните четыре болта крепления и снимите панель усилителя. Момент затяжки 9 Н·м.

4. Отсоедините разъем проводки электродвигателя очистителя.

5. Отверните два болта крепления рычажного механизма очистителя. Момент затяжки 9 Н·м.

6. Снимите рычажный механизм.
7. С помощью съемника отделите от кривошипа электродвигателя ведущий рычаг.

8. Отверните два болта крепления электродвигателя. Момент затяжки 8 Н·м.
9. Снимите электродвигатель.
Установка
10. Установка проводится в обратном порядке.
Статья основана на данных с сайта ChevyMan
