Снятие
Предостережение: ознакомьтесь с предостережениями в главе "Система пассивной безопасности".
1. Отключите систему пассивной безопасности (подушки безопасности).
2. Снимите коленный упор.
Примечание: перед отсоединением рулевой колонки или промежуточного вала установите передние колеса автомобиля в положение прямолинейного движения заприте рулевую колонку (положение LOCK замка зажигания). Пренебрежение данным указанием приведет к неверной ориентации отдельных деталей и повреждению токосъемника системы пассивной безопасности.
3. Заблокируйте рулевую колонку специальным фиксатором через отверстие доступа в нижнем кожухе рулевой колонки.

4. Снимите кронштейн блока управления бортовым электрооборудованием. Не отсоединяйте разъем проводки блока.
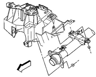
5. Отсоедините от колонки трос (1) переключения передач.

6. Отсоедините разъемы проводки рулевой колонки.

7. Выньте из передней панели держатель (4) пучка проводов.

Примечание: после установки рулевой колонки обязательно закрепите пучки проводов штатными клипсами во избежание повреждения проводки.
8. Отверните стяжной болт (1) верхнего промежуточного вала, выньте вал.

9. Отверните гайки (1) дефлектора коленного упора. Момент затяжки 9 Н·м.

10. Отверните гайки крепления верхней и нижней опор трубы рулевой колонки. Момент затяжки 30 Н·м.

11. Снимите рулевую колонку с автомобиля.
Примечание: снятая с автомобиля рулевая чрезвычайно восприимчива к повреждениям. Падение колонки на торец приведет к деформации рулевого вала или ослаблению пластмассовых вставок, которые придают колонке необходимую жесткость. Установка колонки в наклонном положении может привести к деформации трубы колонки. Любое вышеупомянутое повреждение приводит к потере колонкой свойств складывания при столкновении.
Установка
12. Установка проводится в обратном порядке.
