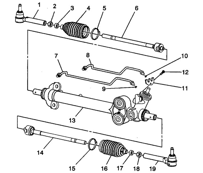
Рулевая рейка в сборе. 1 - внешняя рулевая тяга, 2 - гайка внутренней рулевой тяги, 3 - хомут пыльника, 4 - пыльник, 5 - хомут пыльника, 6 - внутренняя рулевая тяга, 7 - трубка цилиндра рейки, 8 - трубка цилиндра рейки, 9 - уплотнительное кольцо, 10 - уплотнительное кольцо, 11 - скоба крепления трубок, 12 - блок крепления скобы, 13 - рулевая рейка, 14 - внутренняя рулевая тяга, 15 - хомут пыльника, 16 - пыльник, 17 - хомут пыльника, 18 - гайка внутренней рулевой тяги, 19 - внешняя рулевая тяга.
Снятие
1. Снимите передние колеса.
2. Отсоедините от рулевой рейки рулевой вал.
Рулевая рейка. Последовательность снятия
3. Отверните гайки (1) крепления рулевых тяг. Момент затяжки 60 Н·м.
4. С помощью съемника отделите шаровые шарниры (2) рулевых тяг от поворотных кулаков.
Примечание: не отделяйте шаровые шарниры с помощью клина, можно повредить пыльник шарнира.
5. Слейте из бачка насоса усилителя рулевого управления жидкость.
6. Подведите под рулевую рейку емкость для сбора жидкости.
7. Отверните болт (3) скобы (4) крепления трубок системы усилителя рулевого управления. Момент затяжки 12 Н·м.
8. Вытяните трубки из корпуса рулевой рейки. Заглушите открытые отверстия для предотвращения попадания грязи в систему.
9. Отверните болты (5) крепления рулевой рейки (левая сторона). Момент затяжки 200 Н·м.
10. Отверните болты (6) крепления рулевой рейки (правая сторона). Момент затяжки 100 Н·м.
11. Снимите рулевую рейку (7) с автомобиля.
12. При необходимости замените уплотнения рулевой рейки.
Установка
13. Установка проводится в обратном порядке. После установки заполните систему усилителя рулевого управления, прокачайте систему и отрегулируйте схождение передних колес.
Оригинальная версия статьи на сайте: «ChevyMan.ru»
