Снятие
1. Отсоедините кабель отрицательной клеммы аккумуляторной батареи.
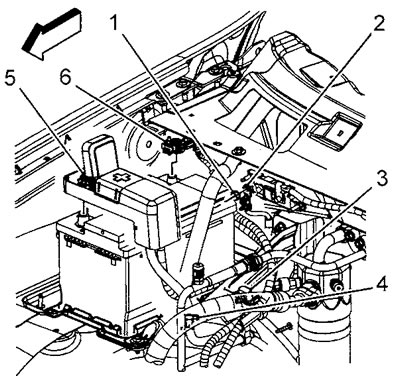
2. Откройте крышку кабеля тягового реле стартера на положительной клемме аккумуляторной батареи.
3. Отверните гайку (5) крепления кабеля стартера. Момент затяжки 5 Н·м.

4. Снимите кабель стартера с положительной клеммы аккумуляторной батареи.
5. Уложите кабель стартера в стороне.
6. Отверните болты крепления и снимите правый верхний усилитель переднего крыла. Момент затяжки 9 Н·м.

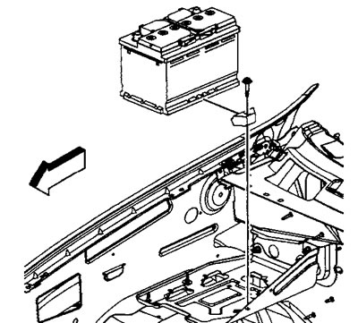
7. Отверните болт скобы крепления аккумуляторной батареи, снимите скобу. Момент затяжки 25 Н·м.

8. Снимите аккумуляторную батарею.
Установка
9. Установка в обратном порядке.
