Оглавление: Снятие ↧ Установка ↧
Снятие
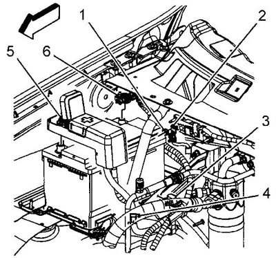
1. Отсоедините кабель отрицательной клеммы аккумуляторной батареи.
2. Снимите крышку блока соединений (реле) под капотом.

3. Поднимите фиксаторы блока соединений из положения (3) "закрыть" в положение (1) "открыть".

4. Снимите блок соединений (реле).
5. Снимите разъем (1) кабеля положительной клеммы аккумуляторной батареи с блока распределения питания (под капотом).

6. Снимите крышку главного предохранителя цепи питания.

7. Отверните гайку (3) крепления кабеля генератора к главному предохранителю цепи питания. Момент затяжки 9 Н·м.

8. Снимите наконечник (4) кабеля генератора зарядки аккумуляторной батареи со шпильки главного предохранителя цепи питания.
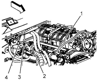
9. Снимите канал кабеля положительной клеммы аккумуляторной батареи со шпилек перегородки моторного отсека.

10. Снимите клипсы поддержки кабеля положительной клеммы с перегородки моторного отсека.
11. Снимите кабель положительной клеммы аккумуляторной батареи со шпильки главного предохранителя цепи питания.

12. Снимите канал кабеля положительной клеммы аккумуляторной батареи со шпилек перегородки моторного отсека.
13. Снимите кабель с автомобиля.
Установка
14. Установка проводится в обратном порядке.
Источник статьи доступен на веб-сайте «ChevyMan»
