Снятие
1. Отсоедините кабель отрицательной клеммы аккумуляторной батареи.
2. Снимите выпускной воздуховод корпуса воздушного фильтра.
3. Снимите крышку главного предохранителя цепи питания.

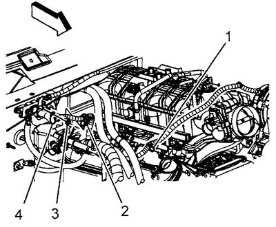
4. Отверните гайку (3) крепления кабеля генератора зарядки батареи к шпильке главного предохранителя.

5. Снимите наконечник (4) кабеля генератора со шпильки предохранителя.
6. Снимите клипсу (2) поддержки кабеля генератора с трубки испарителя кондиционера.
7. Снимите клипсу (1) поддержки кабеля генератора со шпильки.
8. Сдвиньте чехол (3) кабеля генератора по кабелю.

9. Отверните гайку (2) крепления кабеля к генератору.
10. Снимите наконечник (1) кабеля генератора со шпильки генератора.
11. Снимите кабель генератора с автомобиля.

Установка
12. Установка проводится в обратном порядке.
