Снятие
1. Отсоедините кабель отрицательной клеммы аккумуляторной батареи.
2. Поднимите автомобиль и установите под раму стойки безопасности.
3. Отверните болты крепления и снимите защиту масляного поддона. Момент затяжки 28 Н·м.
Показаны автомобили серии 2500
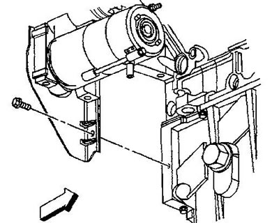
4. Отверните болт крепления крышки АКПП. Момент затяжки 9 Н·м.

5. Отверните болты крепления стартера. Момент затяжки 50 Н·м.

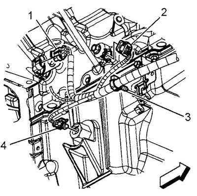
6. Отсоедините разъем (4) датчика уровня масла.

Примечание: избегайте повреждения кабеля и проводов стартера. Не подвешивайте стартер на проводах автомобиля, для этого используйте вязальную проволоку.
7. Сдвиньте стартер вперед до его отхода от АКПП и временно закрепите стартер от падения.
8. Опустите автомобиль наполовину.
9. Снимите правое переднее колесо.
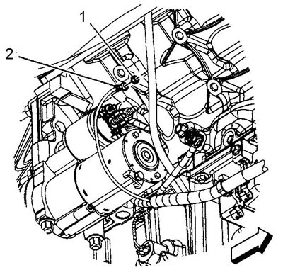
10. Отверните гайку (1) крепления провода тягового реле стартера.
11. Снимите провод (2) со шпильки тягового реле стартера. Момент затяжки 3,5 Н·м.

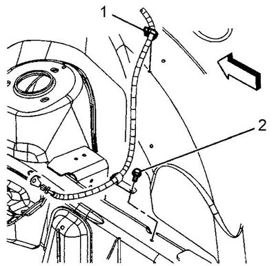
12. Отверните болт (2) крепления клипсы поддержки кабеля стартера к раме. Момент затяжки 10 Н·м.

13. Отверните гайку (1) крепления кабеля стартера. Момент затяжки 9 Н·м.

14. Отведите кабель (2) от стартера.
15. Снимите стартер через проем ниши колеса.
16. При замене стартера отсоедините от него крышку АКПП и тепловой экран тягового реле.

Установка
17. Установка в обратном порядке.
