- Клеммы проводов аккумулятора не покрыты отложениями и надежно затянуты на контактных выводах.
- Провода аккумулятора пребывают в нормальном состоянии (см. подраздел 4). При необходимости произведите замену проводов.
- Аккумулятор проходит все испытания (см. подраздел 3). При необходимости произведите замену батареи.
- Проводка и разъемы стартера пребывают в нормальном состоянии.
- Болты стартера надежно затянуты.
- Предохранители в блоке моторного отсека не перегорели (см. главу 12). Если будет обнаружено перегорание предохранителя, определите и устраните причину, после чего произведите замену.
- Под тверждается работоспособность электроцепи замка зажигания (см. главу 12).
- Реле стартера работоспособно (оно расположено в блоке предохранителей, реле, который находится в моторном отсеке). Процедура проверки работоспособности реле описана в главе 12.
- Датчик положения селектора PARK/ NEUTRAL работоспособен (см. главу 7). Работоспособность данной системы обеспечивает поступление питания с аккумулятора к реле стартера.
2. Если при соблюдении перечисленных условий стартер не включается с замка зажигания, проверьте напряжение, подаваемое с аккумулятора на электроклапан. В ходе данной проверки будет определено, поступает ли на клапан достаточное напряжение с замка зажигания. Подключите к контактному выводу электроклапана контрольную лампу или вольтметр, затем попросите ассистента перевести замок зажигания в положение "START". Если после этого в цепи не будет зарегистрировано наличие напряжения, следует осмотреть замок зажигания, проводку, все предохранители и реле системы пуска (см. электросхемы, приведенные в главе 12). Если в ходе проверке будет определено наличие напряжения, но при этом не будет включаться электродвигатель, необходимо снять (см. подраздел 13) и поместить стартер на верстак для выполнения его проверки (см. подраздел 4).
3. Если вал стартера вращается медленно, необходимо проверить напряжение запуска электродвигателя и определить падение силы тока в цепи стартер-аккумулятор. Данное испытание проводится при стартере, установленном на автомобиле. Включите стартер примерно на десять секунд (или менее). Измерьте напряжение аккумулятора при вращении коленвала. Напряжение должно составлять не менее 8.5 В. Также определите падение силы тока при использовании амперметра. Данная величина должна составлять не более 350 А. Если падение силы тока превышает установленный предел, обратитесь на фирменную станцию для диагностирования стартера. На потенциал пускового момента стартера оказывают влияние ряд факторов. Аккумулятор должен находиться в работоспособном состоянии, а его параметры не должны быть снижены. Убедитесь в том, что проверка состояния аккумулятора была произведена тщательно. Клеммы аккумулятора должны быть надежно затянуты. На контактных выводах и клеммах не должно быть коррозионных отложений. Если проверка выполняется при низкой температуре окружающей среды, необходимо предварительно прогреть аккумулятор и/или двигатель.
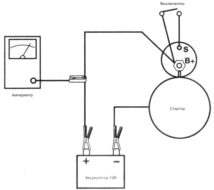
4. Если к стартеру подводится напряжение, но вращения ротора не происходит, снимите с установленного на верстак стартера тяговый соленоид. Вероятно, электроклапан вышел из строя. Реже встречается заклинивание электродвигателя. Чтобы исключить эту причину, попытайтесь повернуть шкив коленчатого вала перед выполнением следующих действий. Закрепите стартер с электроклапаном в слесарных тисках и подключите провод, соединенный с положительным полюсом, к контактному выводу стартера с обозначением "В+". Подключите другой провод, соединенный с отрицательным контактным выводом аккумулятора, к корпусу стартера (см. иллюстрацию). Установите выключатель стартера и подведите напряжение аккумулятора к контактному выводу соленоида, имеющему обозначение S (не подводите напряжение дольше, чем на 10 секунд). При этом шток соленоида, рычаг и муфта должны выдвинуться, после чего последует вращение шестерни. Если привод выдвигается, но вращение шестерни не следует за этим, значит, соленоид исправен, а электродвигатель стартера вышел из строя. Если раздаются щелчки электроклапана, но перемещения не происходит, значит, вышел из строя соленоид и /или стартер. Если после подачи напряжения происходит выдвигание привода и вращение шестерни, значит, стартер/электроклапан пребывают в состоянии работоспособности.
12.4. Схема тестирования снятого стартера
