Снятие
1. Откройте капот.
Ранние модели
2. Отверните болт крепления крышки к впускному коллектору.

Поздние модели
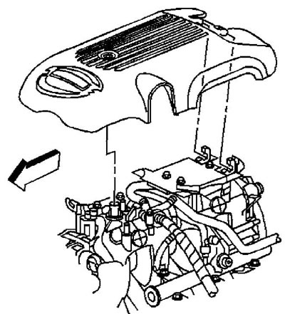
2. Захватите переднюю часть верхней крышки двигателя и поднимите ее до схода резиновых подушек со шпилек.

Все модели
3. Выньте верхнюю крышку из петель держателя.
4. При необходимости отверните болты крепления держателя и снимите держатель.

Установка
1. Если снимали, установите держатель верхней крышки. Затяните болты крепления. Момент затяжки 5 Нм.
2. Установите верхнюю крышку в петли держателя.
Ранние модели
3. Затяните болт крепления крышки. Момент затяжки 10 Нм.
Поздние модели
3. Совместите отверстия подушек крышки со шпильками.
4. Легко надавите на крышку в районе резиновых подушек.
Все модели
5. Закройте капот.
