Ранние модели
Внимание: впускной коллектор, корпус дроссельной заслонки, топливный коллектор и форсунки могут сниматься и устанавливаться единым узлом.
1. Если нужно, снимите корпус дроссельной заслонки, см. п.п. 41-43 для поздних моделей.
2. Если нужно, снимите топливные форсунки, см. п.п. 44-46 для поздних моделей.
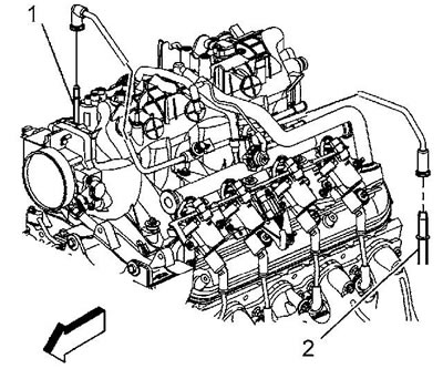
3. Отсоедините разъемы датчика абсолютного давления воздуха (1) и датчика детонации (2).

4. Снимите разъем пучка проводов датчиков детонации с впускного коллектора.
5. Уложите пучок проводов в стороне.
6. Если автомобиль оборудован вакуумным усилителем тормозов, отсоедините шланг усилите от штуцера в задней части впускного коллектора.

7. Снимите шланг вентиляции картера.

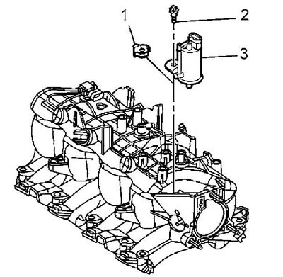
8. Снимите с впускного коллектора датчик абсолютного давления воздуха (1).

9. Снимите трубку клапана очистки аккумулятора паров топлива, отсоединив трубку от клапана (1) и трубки аккумулятора (2).

10. Отверните болт (2) крепления клапана очистки (3), снимите с впускного коллектора клапан и уплотнение (1).

11. Отверните болты крепления впускного коллектора. При установке нанесите на резьбу болтов крепления герметик и затяните болты крепления в порядке, показанном на рисунке. Момент затяжки: 1-й проход 5 Нм; 2-й проход 10 Нм.

12. Снимите впускной коллектор.

13. Снимите с впускного коллектора прокладки (514), выбросите прокладки.

14. Установка проводится в обратном порядке.
Поздние модели
1. Снимите выпускной воздуховод воздушного фильтра.
2. Снимите генератор.
3. Отверните гайку (1) фиксации пучка проводов двигателя. Момент затяжки 5 Нм.
4. Снимите держатель пучка проводов со шпильки.
5. Отсоедините разъем (2) клапана очистки аккумулятора паров топлива.

6. Отсоедините разъем (4) датчика абсолютного давления воздуха во впускном коллекторе.
7. Снимите держатель (2) разъема пучка проводов левого полублока.
8. Отсоедините разъем (1) катушки зажигания левого полублока.
9. Отсоедините разъем (3) топливных форсунок левого полублока.
10. Снимите клипсы (4) поддержки пучка проводов со шпилек кронштейна катушки зажигания левого полублока.
Поздние модели, к пунктам 7-10
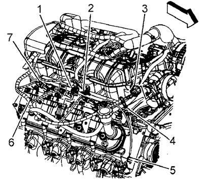
11. Снимите держатель (2) разъема жгута проводов правого полублока.
12. Отсоедините разъем (1) катушки зажигания правого полублока.

13. Отсоедините разъем (3) привода дроссельной заслонки.
14. Снимите клипсы (4) поддержки пучка проводов с кабеля генератора зарядки аккумуляторной батареи.
15. Снимите клипсы (6) поддержки пучка проводов со шпилек кронштейна катушки зажигания правого полублока.
16. Отсоедините разъем (7) топливных форсунок правого полублока.
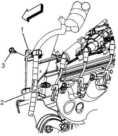
17. Отверните болт (3) крепления клипсы (1) пучка проводов двигателя. Момент затяжки 9 Нм.

18. Отсоедините разъем (2) датчика температуры охлаждающей жидкости.
19. Соберите ветви пучка проводов и привяжите провода в стороне от обтекателя панели капота.
20. Снимите хомут вакуумного шланга вакуумного усилителя тормозов у усилителя.

21. Снимите вакуумный шланг со штуцера усилителя.
22. Закрепите вакуумный шланг усилителя тормозов на впускном коллекторе.
23. Отсоедините трубку (1) очистки аккумулятора паров топлива от клапана очистки.

24. Отсоедините быстрый разъем (2) трубки подачи топлива.
25. Снимите шланг системы вентиляции картера со штуцера впускного коллектора.

26. Отверните болты (512) крепления впускного коллектора.

При установке затягивайте болты крепления в порядке, показанном на рисунке. Момент затяжки: 1-й проход 5 Нм; 2-й проход 10 Нм.

27. Снимите впускной коллектор (500).
28. Снимите и выбросите прокладки (514) впускного коллектора.

29. Закройте окна впускных каналов головки блока цилиндров, чтобы препятствовать попадания грязи в цилиндры двигателя.
30. При замене впускного коллектора выполните последующие шаги.
31. Уложите впускной коллектор на чистый верстак.
32. Снимите хомут крепления вакуумного шланга усилителя тормозов на впускном коллекторе.

33. Снимите вакуумный шланг со штуцера впускного коллектора.
34. Отверните гайку крепления верхней крышки впускного коллектора.

35. Снимите верхнюю крышку впускного коллектора.
36. Снимите держатель датчика абсолютного давления воздуха.

37. Снимите датчик абсолютного давления воздуха.
38. Отсоедините от впускного коллектора трубку системы улавливания паров топлива.
39. Расцепите фиксатор крепления клапана очистки аккумулятора паров топлива к топливному коллектору.

40. Снимите трубку и клапан очистки аккумулятора паров топлива.
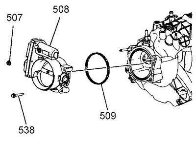
41. Отверните болты (538) и гайки (507) крепления корпуса дроссельной заслонки (508). Момент затяжки 10 Нм.
42. Снимите корпус дроссельной заслонки.
43. Снимите и выбросите прокладку корпуса дроссельной заслонки (509).

44. Отверните болты крепления топливного коллектора. Момент затяжки 10 Нм.
Примечание: при установке нанесите на резьбу болтов контрящий клей.

45. Снимите топливный коллектор.
Внимание: поднимайте топливный коллектор равномерно до выхода всех топливных форсунок из их гнезд.

46. Снимите и выбросите нижние уплотнительные кольца топливных форсунок.
Примечание: при установке смазывайте НОВЫЕ уплотнительные кольца моторным маслом.
47. Снимите штуцер вакуумного шланга усилителя тормозов.

Внимание: при снятии штуцера равномерно нажимайте на проставку красного цвета.
48. Установка проводится в обратном порядке.
Верхняя крышка впускного коллектора
1. Снимите впускной коллектор.
2. Выполните операции по п.п. 32-35 раздела "Впускной коллектор. Снятие и установка" этой главы.
Оригинальная версия статьи на сайте «chevyman.ru»
