Ранние модели
1. Снимите выпускной коллектор правого полублока.
2. Отверните болты крепления правой опоры к кронштейну. Момент затяжки 65 Нм.

3. Поднимите автомобиль и подведите под раму стойки безопасности.
4. Снимите правое колесо.
5. Снимите подкрылок арки правого колеса.
6. Если установлена, снимите защиту двигателя.
Внимание: не поднимайте двигатель, подводя домкрат под шкив коленчатого вала или под масляный поддон.
7. Приподнимите двигатель с помощью винтового домкрата.
8. Отверните болты крепления опоры к двигателю. Момент затяжки 50 Нм.

9. Снимите правую опору двигателя.
10. Установка проводится в обратном порядке.
Поздние модели
1. Снимите выпускной воздуховод воздушного фильтра.
2. Снимите передний ведущий мост.
3. Отверните болты крепления кронштейна переднего моста, снимите кронштейн. Момент затяжки 90 Нм.
4. Снимите выпускной коллектор правого полублока.
5. Снимите кронштейн компрессора кондиционера.
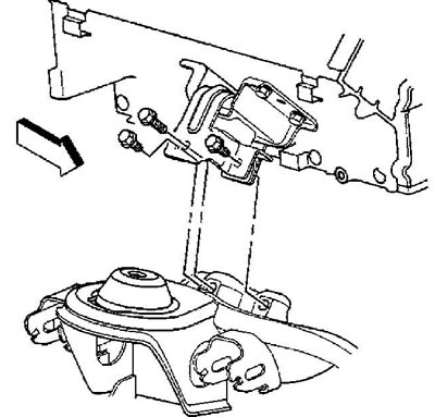
6. Отверните болты (1) крепления опоры к раме. Момент затяжки 65 Нм.

Примечание: при установке затягивайте сначала средний болт, затем крайние болты.
Внимание: не поднимайте двигатель, подводя домкрат под шкив коленчатого вала или под масляный поддон.
7. Подведите винтовой домкрат под технологический прилив (1) блока двигателя.

8. Через проем арки правого колеса отверните болты (1) крепления правой опоры к двигателю. Момент затяжки 50 Нм.

9. Приподнимите двигатель и снимите опору.

10. Установка проводится в обратном порядке.
Статья перепечатана с сайта «ChevyMan.ru»
