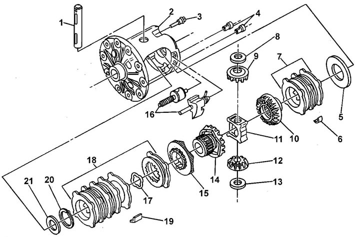
Блокируемый дифференциал 8,6 дюймов. 1 - ось ведущих шестерен дифференциала, 2 - чашка дифференциала, 3 - болт фиксации оси ведущих шестерен, 4 - втулки отключения блокировки, 5 - упорная шайба диска сцепления дифференциала, 6 - направляющая диска сцепления дифференциала, 7 - пакет дисков сцепления дифференциала, 8 - упорная шайба ведущей шестерни дифференциала, 9 - ведущая шестерня дифференциала, 10 - боковая шестерня дифференциала, 11 - упорный блок, 12 - ведущая шестерня дифференциала, 13 - упорная шайба ведущей шестерни дифференциала, 14 - боковая шестерня дифференциала с кулачком, 15 - кулачковая шайба, 16 - регулятор дифференциала, 17 - пружинная шайба, 18 - пакет дисков сцепления дифференциала, 19 - направляющая диска сцепления дифференциала, 20 - стопорное кольцо, 21 - упорная шайба диска сцепления.
Блокируемый дифференциал устанавливается как дополнительная опция. Такой дифференциал увеличивает способность заднего моста перераспределять тягу на колесах при нахождении колес на дороге с разными сцепными свойствами. Перераспределение тяги достигается двумя способами. Во-первых, наличие набора дисков сцепления на каждой стороне дифференциала ограничивает скольжение между колесами (дифференциал повышенного трения). Во-вторых, используется механическая блокировка дифференциала, при включении которой оба колеса моста будут вращаться с одинаковой скоростью.
