Снятие
1. Сбросьте давление топлива (см. раздел 2).
2. Отсоедините провод от отрицательного вывода аккумуляторной батареи.
3. Снимите топливный бак (см. раздел 6).
4. Топливный насос и датчик находятся внутри бака. Насос крепится кольцевым зажимом, который состоит из внутреннего кольца с тремя фиксирующими замками и внешнего кольца с тремя стопорными хвостовиками.
5. Чтобы рассоединить топливный насос и датчик, поворачивайте внутреннее кольцо против часовой стрелки до тех пор, пока фиксирующие запоры не освободятся от хвостовиков (см. иллюстрацию).
7.5. Чтобы снять топливный датчик и топливный насос (1), поверните внутреннее стопорное кольцо (2) против часовой стрелки и достаньте насос и кольцевую прокладку из топливного бака. Будьте особенно осторожны, чтобы не повредить поплавковый механизм
Примечание. Если кольца соединены вместе слишком туго, и их не удается освободить вручную, слегка постучите молотком по латунному пробойнику или деревянному штырю.
Внимание! Не пользуйтесь стальным пробойником искра при работе может привести к взрыву паров бензина.
6. Извлеките топливный насос и датчик из бака (см. иллюстрацию).
7.6. Выньте топливный насос из топливного бака
Внимание! Поплавок и датчик являются чувствительными приборами, не ударяйте их о стопорные кольца во время извлечения, иначе можно повредить датчик.
7. Замените уплотнительное кольцо вокруг входного отверстия кольцевого зажима.
8. Проверьте фильтр на нижнем конце топливного насоса (см. иллюстрацию) Если он загрязнен, извлеките его, очистите в растворителе и продуйте сжатым воздухом. Если фильтр слишком загрязнен и не может быть очищен, замените его.
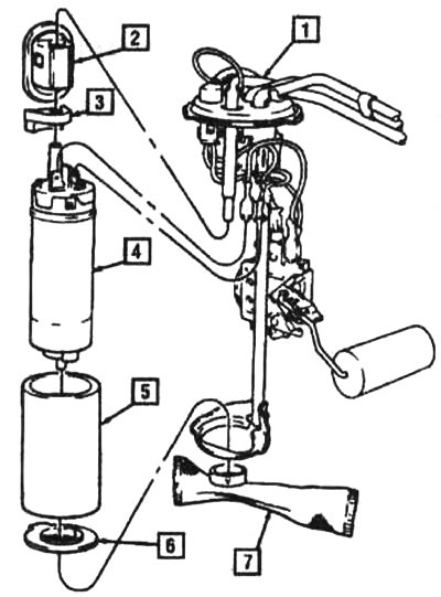
7.8. Детали топливного насоса и датчика: 1 - датчик, 2 - пульсатор (только на двигателе 3,8 л), 3 - демпфер, 4 - топливный насос, 5 - звукоизолирующая гильза, 6 - звукоизолятор, 7 - фильтр
9. Если вам нужно отделить топливный насос и датчик, втяните топливный насос в резиновый разъем и сместите насос с нижней опоры. Необходимо принять меры предосторожности, чтобы при снятии не повредить резиновый изолятор и топливный фильтр. После снятия насоса с нижней части опоры вытяните насос из резинового разъема.
Установка
10. Расположите резиновую прокладку вокруг отверстия топливного бака и установите топливный насос и датчик в бак.
11. Поворачивайте внутреннее стопорное кольцо по часовой стрелке до тех пор, пока фиксирующие стопоры полностью не зацепятся с хвостовиками.
Примечание. Поскольку вы установили новое уплотнительное кольцо, возможно, необходимо будет надавить на внутреннее стопорное кольцо так, чтобы стопорные замки зашли под хвостовики.
12. Установите топливный бак (см. раздел 5).
