Снятие
Модели с вакуумным усилителем тормозов |
Модели с гидравлическим усилителем тормозов |
1. С помощью сифона откачайте из бачка главного тормозного цилиндра тормозную жидкость.
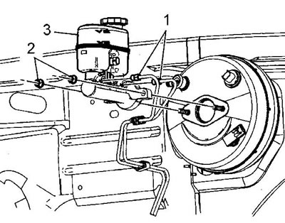
2. Отверните гайки (1) крепления тормозных трубок к корпусу тормозного цилиндра. Заглушите открытые отверстия. Момент затяжки 25 Н·м.
3. Отсоедините разъем датчика уровня тормозной жидкости.
4. Отверните гайки (2) крепления главного тормозного цилиндра. Момент затяжки 33 Н·м.
5. Снимите главный тормозной цилиндр.
Установка
6. Установка проводится в обратном порядке. После установки прокачайте тормозную систему.
Прокачка
1. Закрепите главный тормозной цилиндр за его фланец в тисках так, чтобы была доступна задняя часть первичного поршня.
2. Снимите крышку бачка главного тормозного цилиндра.
3. На места подсоединения тормозных трубок установите гибкие прозрачные шланги, заведите шланги в бачок главного тормозного цилиндра.

4. Заполните бачок главного тормозного цилиндра примерно наполовину чистой тормозной жидкостью (DOT-3).
5. Во время прокачки концы шлангов должны находиться под уровнем тормозной жидкости.
6. Используя стержень с закругленным концом, нажимайте и отпускайте первичный поршень. Ход поршня должен быть равен примерно 25 мм. Наблюдайте за потоком жидкости по шлангам. По мере удаления воздуха усилие нажатия на поршень будет увеличиваться, а ход поршня - уменьшаться.
7. Продолжайте прокачку до полного удаления воздуха из цилиндра.
8. Снимите прозрачные шланги.
9. Установите крышку бачка главного тормозного цилиндра.
10. Заглушите места подсоединения тормозных трубок.
11. Снимите главный цилиндр с тисков.
[Статья перепечатана с сайта CHEVYMAN.RU]
