Снятие
1. Затяните стояночный тормоз.
2. Сбросьте разрежение в вакуумном усилителе. Для этого нажмите на педаль тормоза 3-5 раз.
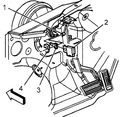
3. (GMT900) Отсоедините разъемы датчика разрежения (1) и активного усилителя (2).

4. Отсоедините вакуумный шланг от обратного клапана (3).
5. Отсоедините разъем датчика уровня тормозной жидкости.
6. Отверните две гайки крепления главного тормозного цилиндра. Момент затяжки 33 Н·м.
Внимание:
- Отсоединять от главного тормозного цилиндра тормозные трубки нет необходимости.
- Убедитесь в том, что после снятия тормозного цилиндра на нем осталось уплотнительное кольцо.
7. Закрепите главный тормозной цилиндр в стороне проволокой.
8. Удалите клипсу (4) фиксации толкателя (1) педали тормоза.

9. Снимите с педали тормоза (1) выключатель стоп-сигналов (2) и толкатель (3) педали тормоза.
10. Отверните гайки крепления усилителя тормозов. Момент затяжки 33 Н·м.
11. Снимите усилитель.
12. Снимите и выбросите прокладку усилителя.

Установка
13. Установка проводится в обратном порядке.
