Снятие
1. Снимите насос охлаждающей жидкости.
2. Снимите шкив коленчатого вала.
3. Отсоедините разъем проводов датчика положения распределительного вала от пучка проводов двигателя.

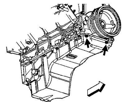
4. Отверните болты крепления передней крышки к масляному поддону.

5. Отверните болты (1) крепления передней крышки.

6. Снимите переднюю крышку (2) и прокладку (3).
7. Выбросите прокладку.
8. Снимите передний сальник коленчатого вала (4).
9. Если крышку нужно заменить, переходите к следующим пунктам, в противном случае приступайте к установке.
10. Отверните болты (1) и (6) крепления пучка проводов датчика положения распределительного вала.
11. Отсоедините разъем датчика положения распределительного вала.

12. Снимите пучок проводов (5).
13. Снимите датчик (2).
14. На двигателях LY6/L76/L92 снимите магнит системы изменения фаз газораспределения.
Установка
Внимание:
- Не устанавливайте повторно сальник коленчатого вала и прокладку передней крышки.
- Не наносите на прокладку передней крышки герметики любого типа.
- Для центровки передней крышки применяется специальная оправка. При неправильной центровке крышки возможна течь масла по переднему сальнику.
1. Если устанавливается старая крышка, переходите к пункту 9.
2. На двигателях LY6/L76/L92 установите магнит системы изменения фаз газораспределения.
3. Проверьте состояние уплотнительного кольца датчик положения распределительного вала.
4. Смажьте уплотнительное кольцо моторным маслом.
5. Установите датчик положения распределительного вала.
6. Уложите пучок проводов датчика на переднюю крышку.
7. Подсоедините провода к датчику.
8. Затяните болты крепления пучка проводов. Момент затяжки 12 Нм.
9. Нанесите валик герметика диаметром примерно 5 мм и длиной 20 мм на стыки плоскостей разъема блока двигателя и масляного поддона.
10. Установите НОВУЮ прокладку передней крышки и переднюю крышку.
11. От руки затяните болты крепления передней крышки к блоку.
12. От руки затяните болты крепления передней крышки к масляному поддону.
13. Установите на переднюю крышку центровочную оправку.

14. Совместите выступы оправки с обработанными плоскостями крышки.
15. От руки затяните центральный болт коленчатого вала для крепления оправки. Затяните болты крепления передней крышки к поддону, затем к блоку. Момент затяжки 25 Нм.
16. Снимите оправку.
17. Подсоедините провода датчика положения распределительного вала к пучку проводов двигателя.
18. Установите НОВЫЙ передний сальник коленчатого вала.
19. Установите насос охлаждающей жидкости.
Оригинал статьи можно найти на ресурсе CHEVYMAN.RU
