Снятие
1. Поднимите автомобиль.
2. Снимите заднее колесо.
3. Снимите тормозной суппорт.
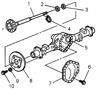
4. Снимите крышку и прокладку крышки картера редуктора.
5. Отверните болт фиксации оси ведущих шестерен дифференциала.

6. На моделях без блокируемого дифференциала выньте ось ведущих шестерен.

7. На моделях с блокируемым дифференциалом частично выдвиньте ось ведущих шестерен из чашки дифференциала. Вращайте чашку дифференциала до упора осью шестерен в картер редуктора.

8. На моделях с блокируемым дифференциалом с помощью отвертки вращайте стопорное кольцо (1) до совмещения с упорным блоком (2).

9. Протолкните фланец полуоси (1) в направлении дифференциала до выхода стопорного кольца из упорного блока.

10. Снимите с конца полуоси (1) стопорные кольца (4).
11. Выньте полуось (1) из балки заднего моста (5).
Внимание: при снятии полуоси не вращайте полуось. Вращение полуоси приведет к рассогласованию установки шестерен дифференциала, что затруднит последующую сборку.
Установка
Предупреждение: при установке полуоси не повредите сальник.
1. Установите полуось в балку моста.
2. Совместите шлицы полуоси и боковой шестерни. Задвиньте полуось в боковую шестерню.
3. На моделях без блокируемого дифференциала установите стопорное кольцо полуоси.
4. На моделях с блокируемым дифференциалом частично выдвиньте ось ведущих шестерен из чашки дифференциала.
5. На моделях с блокируемым дифференциалом установите стопорное кольцо полуоси так, чтобы его стенки встали заподлицо с упорным блоком.
6. Потяните полуось наружу до защелкивания стопорного кольца в боковой шестерне.
7. Совместите отверстие в оси ведущих шестерен дифференциала с отверстием под болт фиксации оси.
8. Установить НОВЫЙ болт фиксации оси шестерен. Затяните болт. Момент затяжки: редуктор 8,6" 36 Н·м; редуктор 9,5" 50 Н·м.
9. Установите крышку и прокладку крышки картера редуктора.
10. Установите тормозной суппорт.
11. Установите заднее колесо.
12. Залейте в картер редуктора трансмиссионное масло.
13. Опустите автомобиль.
