Снятие
Внимание: для предотвращения потери тормозной жидкости и попадания грязи в систему глушите открытые отверстия.
1. Поднимите автомобиль и подведите под раму стойки безопасности.
2. Удалите грязь с клапана модулятора и штуцеров и тормозных трубок.
3. Отсоедините разъем проводки блока управления тормозами.
Внимание: пометьте места установки тормозных трубок на клапана модулятора давления.
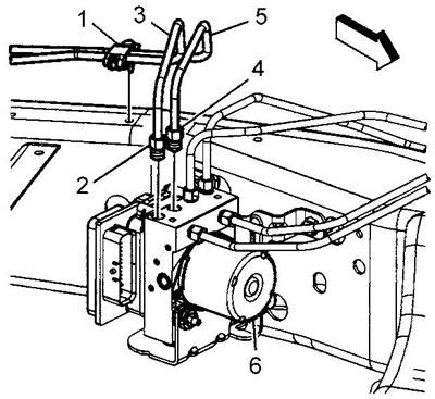
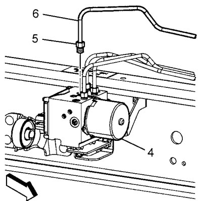
Модели с системой VSES (w/JL4)
4. Отсоедините клипсу (1) поддержки тормозных трубок от рамы.

5. Отверните гайки (2) и (4) задних тормозных трубок к клапану модулятора (6). Момент затяжки 18 Н·м.
6. Выньте задние тормозные трубки (3) и (5) из клапана (6).
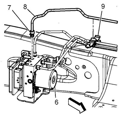
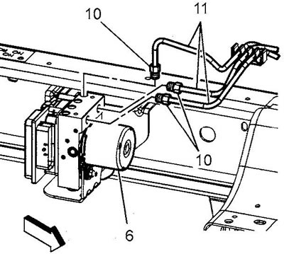
7. Отверните гайку (7) крепления передней тормозной трубки к клапану модулятора (6).

8. Выньте переднюю тормозную трубку (8) из клапана (6) и клипсы (9).
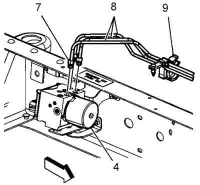
9. Отверните гайки (10) передних тормозных трубок к клапану (6). Момент затяжки 18 Н·м.

10. Выньте передние тормозные трубки (11) из клапана (6).
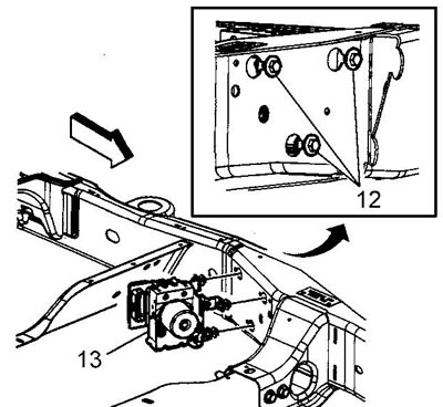
11. Ослабьте болты крепления кронштейна клапана модулятора к раме. Момент затяжки 22 Н·м.

12. Сдвиньте кронштейн и клапан к переду автомобиля и снимите сборку с автомобиля.
13. При необходимости снимите с клапана блок управления.
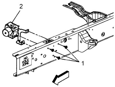
14. Для отсоединения кронштейна (4) от клапана (5), отверните гайки крепления (1). Момент затяжки 9 Н·м.

15. Осторожно выньте клапан из передних резиновых опор (2) кронштейна.
Внимание: не поднимайте клапан при помощи рычага.
16. Выньте клапан из нижней резиновой опоры (3).
17. Установка проводится в обратном порядке. После установки прокачайте тормозную систему.
Модели без системы VSES (w/o JL4)
4. Отсоедините клипсу (1) поддержки тормозной трубки от рамы.
5. Отверните гайку (2) крепления задней тормозной трубки к клапану модулятора (4). Момент затяжки 18 Н·м.

6. Выньте заднюю тормозную трубку (3) из клапана (4).
7. Отверните гайку (5) крепления передней тормозной трубки (6), выньте трубку из клапана. Момент затяжки 18 Н·м.

8. Отверните гайки (7) крепления передних тормозных трубок. Момент затяжки 18 Н·м.

9. Выньте передние тормозные трубки (8) из клапана (4) и клипсу (9) из рамы.
10. Отверните болты (1) крепления кронштейна клапана модулятора к раме. Момент затяжки 22 Н·м.

11. Снимите клапан модулятора.
12. При необходимости снимите с клапана блок управления.
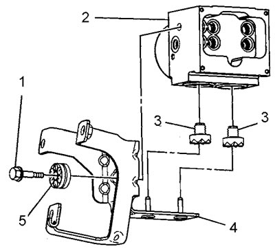
13. Для отсоединения кронштейна (4) от клапана отверните болт (1) крепления клапана. Момент затяжки 10 Н·м.

14. Снимите клапан модулятора с кронштейна.
15. Снимите с клапана (2) и/или кронштейна (4) резиновые опоры (3).
Установка
16. Установка проводится в обратном порядке. После установки прокачайте тормозную систему.
Оригинальная версия статьи на сайте chevyman.ru
