
Двигатель. Вид сверху, поздние модели. 1 - топливная форсунка №6, 2 - катушка зажигания №8, 3 - топливная форсунка №8, 4 - топливная форсунка №7, 5 - катушка зажигания №7, 6 - топливная форсунка №5, 7 - катушка зажигания №5, 8 - катушка зажигания №3, 9 - топливная форсунка №3, 10 - катушка зажигания №1, 11 - топливная форсунка №1, 12 - датчик абсолютного давления воздуха во впускном коллекторе, 13 - топливная форсунка №4, 14 - катушка зажигания №4, 15 - катушка зажигания №2, 16 - топливная форсунка №2, 17 - катушка зажигания №6
Правая сторона двигателя, поздние модели. 1 - катушка зажигания №8, 2 - катушка зажигания №6, 3 - катушка зажигания №4, 4 - датчик абсолютного давления воздуха во впускном коллекторе, 5 - корпус дроссельной заслонки, 6 - катушка зажигания №2, 7 - датчик детонации №2, 8 - датчик уровня масла, 9 - стартер, 10 - масляный коллектор системы отключения цилиндров (если установлен), 11 - датчик давления моторного масла
Двигатель (вид спереди, поздние модели). 1 - корпус дроссельной заслонки, 2 - датчик абсолютного давления воздуха во впускном коллекторе, 3 - клапан очистки аккумулятора паров топлива, 4-датчик детонации № 1, 5 - подогреватель охлаждающей жидкости, 6 - датчик температуры охлаждающей жидкости, 7 - датчик положения распределительного вала, 8 - генератор
Правая задняя часть моторного отсека (поздние модели). 1 - аккумуляторная батарея, 2 - датчик низкого давления в системе кондиционирования, 3 - муфта компрессора кондиционера, 4 - выключатель по давлению в системе кондиционирования, 5 - датчик массового расхода воздуха / датчик температуры воздуха
Левая сторона моторного отсека, (поздние модели). 1 - двигатель стеклоочистителя ветрового стекла, 2 - вакуумный усилитель тормозов, 3 - подогреватель жидкости омывателя ветрового стекла (ХА7), 4 - блок предохранителей, 5 - блок управления двигателем, 6 - блок управления АКПП, 7 - датчик разрежения усилителя тормозов, 8 - датчик уровня тормозной жидкости
Детали топливной системы на шасси (поздние модели, короткая база). 1 - рама, 2 - клапан продувки аккумулятора паров топлива, 3 - датчик давления в топливном баке, 4 - топливный насос и датчик уровня топлива
Детали топливной системы на шасси (поздние модели, длинная база). 1 - топливный насос и датчик уровня топлива (первичный), 2 - датчик давления в топливном баке, 3 - топливный насос и датчик уровня топлива (вторичный, кроме NQZ), 4 - аккумулятор паров топлива, 5 - клапан продувки аккумулятора паров топлива, 6 - электронный блок управления подвеской
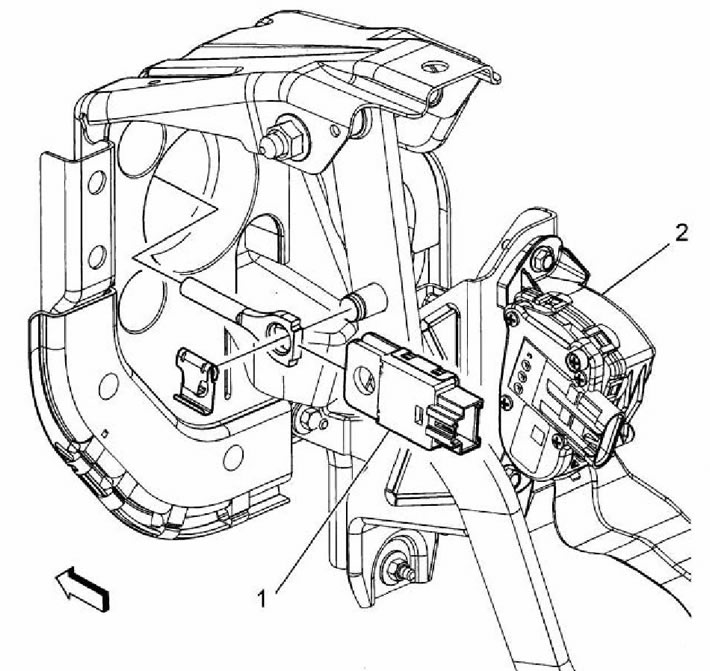
Сборка педалей (поздние модели, кроме JF4). 1 - выключатель стоп-сигналов, 2 - датчик положения педали акселератора
Сборка педалей (поздние модели, JF4). 1 - электронная педаль (JF4), 2 - выключатель стоп-сигналов, 3 - датчик положения педали акселератора
Топливные трубки и шланги (поздние модели)
Шланги системы улавливания паров топлива (поздние модели)
Левая сторона двигателя, (ранние модели). 1 - катушка зажигания №1, 2 - форсунка №1, 3 - форсунка №3, 4 - форсунка №5, 5 - форсунка №7, 6 - катушка зажигания №7, 7 - катушка зажигания №5, 8 - катушка зажигания №3, 9 - датчик температуры охлаждающей жидкости
Правая сторона двигателя (ранние модели). 1 - катушка зажигания №8, 2 - жгут проводов форсунок, 3 - форсунка №4, 4 - катушка зажигания №2, 5 - катушка зажигания №4, 6 - форсунка №6, 7 - катушка зажигания №6, 8 - форсунка №8
Датчики детонации (ранние модели). 1 - датчик детонации №1, 2 - датчик детонации №2
Двигатель. Вид сверху (ранние модели). 1 - датчик абсолютного давления во впускном коллекторе, 2 - корпус дроссельной заслонки, 3 - электропневмоклапан аккумулятора паров топлива
Кислородные датчики. Двигатель 5,3 л (ранние модели). 1 - кислородный датчик (B1S2), 2 - кислородный датчик (B1S1), 3 - место установки кислородного датчика (B1S1), 4 - каталитический нейтрализатор ОГ (В1), 5 - место установки кислородного датчика (B1S2), 6 - место установки кислородного датчика (B2S1), 7 - рама (правая сторона), 8 - каталитический нейтрализатор ОГ (В2), 9 - место установки кислородного датчика (B2S2), 10 - кислородный датчик (B2S2), 11 - кислородный датчик (B2S1)
Кислородные датчики. Двигатель 6,0 л (ранние модели). 1 - кислородный датчик (B2S1), 2 - место установки кислородного датчика (B1S2), 3 - рама (правая сторона), 4 - каталитический нейтрализатор ОГ (В2), 5 - кислородный датчик (B2S2), 6 - место установки кислородного датчика (B2S2), 7 - каталитический нейтрализатор ОГ (В1), 8 - кислородный датчик (B1S2), 9 - место установки кислородного датчика (B1S1), 10 - кислородный датчик (B1S1), 11 - место установки кислородного датчика (B2S1)
Примечание: заменяемые детали должны иметь правильный номер. Случаи, при которых при установке деталей требуется нанесение на резьбу контрящего клея, смазки, ингибиторов коррозии или герметиков, отмечены специально. Некоторые новые детали могут поставляться с уже нанесенным покрытием. Не используйте не рекомендованные покрытия, это может повлиять на величину конечного момента затяжки, что, в свою очередь, повлияет на работу детали или узла. При установке строго соблюдайте рекомендованные моменты затяжки.
