Предупреждение:
- Перед снятием любого компонента системы управления двигателем выключите зажигание во избежание повреждения блока управления двигателем.
- Повреждение блока управления двигателем может быть вызвано контактом металлического корпуса блока с напряжением аккумуляторной батареи. При обслуживании блока управления рекомендуется отсоединить батарею от проводки автомобиля.
- Перед отсоединением разъема блока управления двигателем прочистите поверхности вокруг разъема. После отсоединения проверьте состоянием уплотнения разъема, правильно устанавливайте прокладку для предотвращения попадания в разъем грязи.
- Новый блок управления должен быть запрограммирован.
Внимание: необходимо записать остаточный срок службы моторного масла, в противном случае блок управления будет считать, что моторное масло новое, поэтому (если срок службы масла не введен) после замены ЕСМ замените масло через 5000 км.
Снятие
1. С помощью сканера считайте остаточный срок службы моторного масла.
2. Отсоедините кабель отрицательной клеммы аккумуляторной батареи.
Ранние модели
3. Снимите крышку блока управления.

4. Отверните болты (2) крепления разъемов проводки блока управления, отсоедините разъемы.

Поздние модели
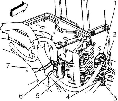
3. Отсоедините фиксатор (2) верхнего пучка проводов и разъедините разъем (1) блока управления.
4. Отсоедините фиксатор (3) нижнего пучка проводов и разъедините разъем (4) блока управления.

Все модели
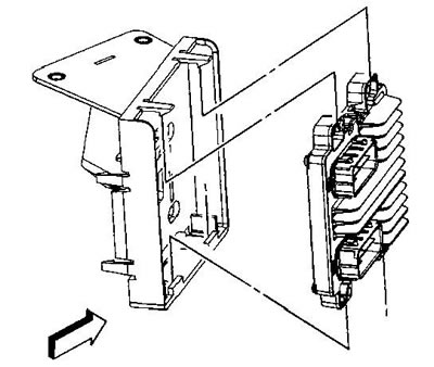
5. Отцепите фиксаторы крепления ЕСМ к кронштейну.
Ранние модели |
Поздние модели |
6. Снимите ЕСМ.
Установка
7. Установка проводится в обратном порядке.
[Информация взята с официального сайта: ChevyMan.ru]
