Оглавление: Снятие ↧ Установка ↧
Снятие
1. Поднимите автомобиль и установите под раму стойки безопасности.
2. Снимите переднее колесо.
3. Подведите под нижний рычаг подвески стойку безопасности.

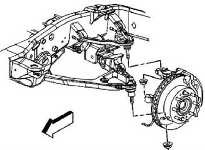
4. Снимите колесную ступицу и подшипник.
5. Если установлена подвеска с электронным управлением, отсоедините от датчика высоты подвески его тягу.
6. Отсоедините от поворотного кулака внешнюю рулевую тягу.
7. Отверните болт крепления тормозного шланга к поворотному кулаку. Момент затяжки 9 Н·м.

8. Отверните гайку крепления шарового шарнира верхнего рычага к поворотному кулаку. Отделите шарнир от кулака. Момент затяжки 50 Н·м.
9. Отверните гайку крепления шарового шарнира нижнего рычага к поворотному кулаку. Отделите шарнир от кулака.
GMT 800 |
GMT 900. Торсионная подвеска |
GMT 900. Пружинная подвеска
Момент затяжки 100 Н·м.
10. Снимите поворотный кулак.
Установка
11. Установка проводится в обратном порядке. Перед установкой почистите посадочные места шаровых шарниров и поворотного кулака.
(Оригинальный текст можно найти на сайте «ChevyMan.ru»)
