Внимание! Перед началом этой операции дайте двигателю полностью остыть.
Примечание. Детали выпускной системы часто снимаются с трудом - они пригорают, испытывая многократный цикл нагревания и охлаждения, которому они постоянно подвергаются. Для облегчения снятия нанесите на все резьбы деталей крепления выпускных коллекторов и выхлопных труб проникающий состав и дайте ему впитаться.
Передний коллектор
1. Отсоедините провод от отрицательного вывода аккумуляторной батареи.
2. Для обеспечения доступа к коллектору снимите охлаждающий вентилятор (см. главу 3, раздел 4).
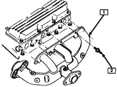
3. Отверните с фланца перепускной (П-образной) трубы болты крепления (см. иллюстрацию).
9.3. Патрубки выпускных коллекторов крепятся к выхлопной трубе болтами (показаны стрелками)
4. Отверните гайку крепления трубки щупа измерения уровня масла и выверните трубку щупа из блока.
5. Снимите провода с передних свечей зажигания (см. главу 1, раздел 33).
6. Снимите теплозащитный щиток, если он есть (см. иллюстрацию).
9.6. Детали теплозащитного щитка переднего выпускного коллектора: 1 - щиток, 2 - шайба, 3 - гайка
7. Отверните болты крепления выпускного коллектора и отсоедините коллектор от головки цилиндров (см. иллюстрацию).
9.7. Детали крепления переднего выпускного коллектора: 1 - коллектор, 2 - болт
Задний выпускной коллектор
8. Отсоедините провод от отрицательного вывода аккумуляторной батареи.
9. Отсоедините провода от свечей задних цилиндров (см. главу 1, раздел 33).
10. Отсоедините кронштейн троса дроссельной заслонки.
11. Снимите теплозащитный щиток перепускной трубы.
12. Отверните два болта, крепящие перепускную трубу к заднему выпускному коллектору.
13. Снимите пластмассовый бачок, закрепленный на дефлекторе.
14. Поднимите автомобиль и надежно закрепите его на стойках.
15. Снимите тепловой щиток коллектора, если имеется (см. иллюстрацию).
9.15. Детали теплозащитного щитка заднего выпускного коллектора: 1 - щиток, 2 - детали крепления
16. Снимите тепловой щиток катализатора и его подвеску.
17. Ослабьте кронштейн трубки щупа уровня гидравлической жидкости в автоматической коробке передач и снимите трубку.
18. Отсоедините разъем кислородного датчика.
19. Отверните три гайки с нижней стороны выпускного коллектора (см. иллюстрацию).
9.19. Детали заднего выпускного коллектора: 1 - коллектор, 2 - болт
20. Опустите автомобиль.
21. Снимите подъемный кронштейн двигателя.
22. Отверните три верхние гайки крепления выпускного коллектора и отделите коллектор от головки.
23. Если вы хотите заменить сам коллектор, снимите кислородный датчик (см. главу 6, раздел 4) и установите его на новый коллектор.
Установка
24. Очистите сопрягающиеся поверхности выпускного коллектора и головки цилиндров от остатков материала старой прокладки, затем проверьте коллектор на наличие деформаций и трещин. Если прокладка коллектора порвалась, отдайте коллектор в ремонтную мастерскую на повторную обработку его поверхности.
25. Установите коллектор на место с новой прокладкой и заверните вручную его крепежные болты.
26. Начиная с центра и действуя в направлении краев, поочередно заворачивайте понемногу болты крепления, пока все они не будут затянуты требуемым моментом, указанным в технических условиях, приведенных в данной главе.
27. Установите остальные детали в обратной последовательности.
28. Запустив двигатель, проверьте стыки между коллектором и головкой цилиндров и между коллектором и выхлопной трубой на утечку отработавших газов.
[Текст статьи был получен с сайта: «ChevyMan.ru»]
