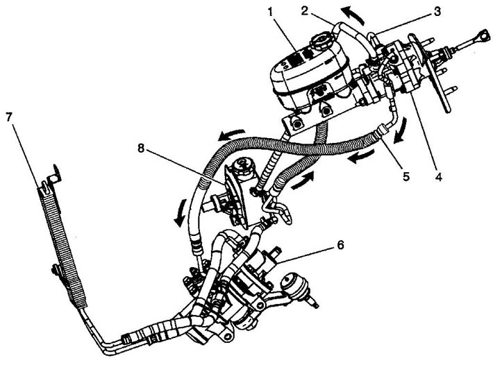
Гидравлический усилитель тормозов. 1 - бачок тормозной системы, 2 - возвратный шланг, 3 - входная трубка (от насоса усилителя рулевого управления), 4 - гидравлический усилитель тормозов, 5 - нагнетательная трубка/шланг рулевого механизма, 6 - рулевой механизм, 7 - охладитель рабочей жидкости усилителя рулевого управления, 8 - насос усилителя рулевого управления.
Конечно, следует понимать, что системы управления и их алгоритмы менялись со временем на более современные, но набор самих систем остался прежним: ABS (антиблокировочная система тормозов), система электронного перераспределения тормозных усилий (EBD или DRP), противобуксовочная система (TCS), система курсовой устойчивости (VSES). Единственное, на новых моделях устанавливается система перераспределения тормозных усилий (EBD) вместо системы перераспределения тормозных усилий на заднюю ось (DRP).
Изменения в основном касаются больше самой системы управления, чем изменения элементов конструкции.
(Оригинал статьи можно найти на ресурсе: «CHEVYMAN.RU»)
