Внимание! Данную операцию не следует выполнять на автомобилях, оборудованных АБС, поскольку для правильной прокачки таких тормозов необходимы специальные приспособления. Отправьте автомобиль в сервисную мастерскую или в другую ремонтную мастерскую, в которой имеются необходимые инструменты.
Снятие
1. Отсоедините провод от отрицательного вывода аккумуляторной батареи.
2. Отсоедините разъем от датчика уровня тормозной жидкости (см. иллюстрацию).
7.2. Отсоедините разъем датчика уровня тормозной жидкости
3. Подложите под патрубки трубопроводов тряпки и подготовьте крышки или пластмассовые заглушки, чтобы заткнуть концы трубопроводов после их отсоединения.
Внимание! Тормозная жидкость может повредить лакокрасочные покрытия. Во время проведения работ закройте все окрашенные детали и действуйте с осторожностью, чтобы не пролить тормозную жидкость.
4. Ослабьте затяжку патрубков (муфт) на торцах магистралей тормозной жидкости там, где они входят в главный тормозной цилиндр (см. иллюстрацию). Чтобы избежать срыва граней, пользуйтесь накидным гаечным ключом, который охватывает шестигранник.
7.4. Отсоедините трубопроводы тормозной жидкости, пользуясь накидным гаечным ключом
5. Оттяните тормозные магистрали от главного тормозного цилиндра и заткните их выходы чтобы предотвратить загрязнение.
6. Отверните две гайки и снимите главный тормозной цилиндр с автомобиля.
7. Снимите крышку бачка и его диафрагму, затем слейте всю оставшуюся жидкость.
Ремонт
8. Зажмите главный тормозной цилиндр в тиски. Не забудьте проложить губки тисков тряпками или деревянными брусками, чтобы не повредить корпус тормозного цилиндра.
9. Извлеките штифты (см. иллюстрацию) пробойником на 1/8 дюйма. Потяните их вверх и отделите от корпуса главного тормозного цилиндра. Снимите два уплотнительных кольца.
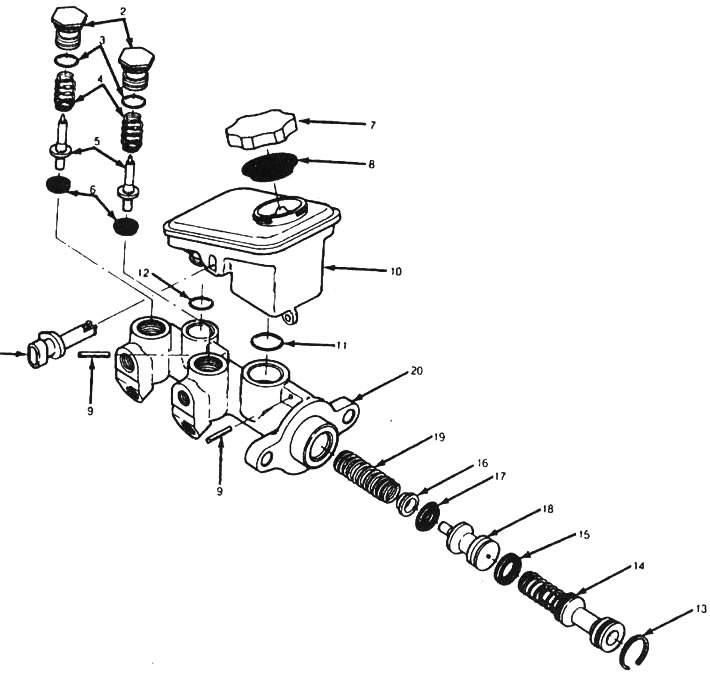
7.9. Детали главного тормозного цилиндра: 1 - датчик уровня тормозной жидкости, 2 - пробки клапана ограничения давления, 3 - уплотнительное кольцо, 4 - пружина, 5 - поршень клапана, 6 - манжета клапана, 7 - пробка бачка, 8 - диафрагма, 9 - штифт, 10 - бачок, 11 - уплотнительное кольцо, 12 - уплотнительное кольцо, 13 - стопорное кольцо, 14 - первичный поршень, 15 - манжета, 16 - тарелка пружины, 17 - манжета, 18 вторичный поршень, 19 - пружина, 20 - корпус главного тормозного цилиндра
10. Снимите пробки клапанов ограничения давления (см. иллюстрацию 7.9). Извлеките уплотнительные кольца, пружины, поршни и уплотнения клапанов. Следите за тем, чтобы не поцарапать или каким-либо другим образом не повредить штоки или отверстия. Отложите в сторону каждый клапан отдельно.
11. Снимите стопорное кольцо первичного поршня, нажав на поршень и подцепив кольцо отверткой (см. иллюстрацию).
7.11. Вдавите поршень вниз и удалите стопорное кольцо первичного поршня
12. Снимите первичный поршень (см. иллюстрацию).
7.12. Извлеките первичный поршень
13. Снимите вторичный поршень. Может понадобиться снятие главного тормозного цилиндра, осторожно постучав по нему деревянным бруском, чтобы достать поршень.
14. Очистите корпус главного тормозного цилиндра, первичный и вторичный поршни, клапаны ограничителя давления и бачок очистителем тормозной системы или денатурированным спиртом и просушите их сжатым воздухом.
Внимание! Ни при каких обстоятельствах не используйте для чистки деталей тормозов растворители на нефтяной основе (бензин, керосин и т.д)!
15. Проверьте, нет ли в отверстии поршня главного тормозного цилиндра следов коррозии, царапин или борозд. Если имеются какие-либо заметные следы коррозии или повреждений, замените корпус главного тормозного цилиндра - не пытайтесь использовать абразивные материалы в попытке очистить отверстие.
16. Извлеките из вторичного поршня старую манжету и установите новую так, чтобы ее кромки были направлены наружу (см. иллюстрацию).
7.16. Манжеты вторичного поршня следует устанавливать так, чтобы их кромки были направлены, как показано на фото
17. Установите тарелку пружины к вторичному поршню.
18. Смажьте цилиндр чистой тормозной жидкостью и установите пружину и вторичный поршень (см. иллюстрацию).
7.18. Вставьте вторичный поршень
19. Разберите первичный поршень, обратив внимание на расположение деталей, затем смажьте уплотнения чистой тормозной жидкостью и установите их на поршень (см. иллюстрацию).
7.19а. Манжету первичного поршня необходимо устанавливать так, чтобы кромки были направлены в сторону от поршня |
7.19б. Установите над уплотнением его защиту |
7.19в. Поставьте на место пружину первичного поршня |
7.19г. Поставьте на пружину тарелку пружины |
7.19д. Вставьте через тарелку и пружину болт крепления пружины и вверните его в поршень |
7.19е. Смажьте уплотнительное кольцо чистой тормозной жидкостью, затем наденьте его на поршень |
20. Вставьте первичный поршень в цилиндр (см. иллюстрацию), нажмите на него и установите стопорное кольцо.
7.20. Вставьте первичный поршень в цилиндр
21. Проверьте, нет ли на клапанах ограничения давления следов коррозии, царапин и борозд. При необходимости замените клапаны.
22. Смажьте новые уплотнительные кольца и манжеты клапанов силиконовой смазкой, входящей в состав ремонтного набора. Смажьте также штоки поршней клапанов.
23. Наденьте на поршни клапанов ограничения давления новые манжеты так, чтобы кромки манжет были направлены к пробке.
24. Вставьте поршни клапанов распределения и уплотнения в корпус главного тормозного цилиндра.
25. Установите пружины в корпус главного тормозного цилиндра.
26. Установите новые уплотнительные кольца в соответствующие канавки в пробках клапанов.
27. Вставьте пробки клапанов ограничения давления в главный тормозной цилиндр и затяните их моментом, указанным в технических условиях данной главы.
28. Проверьте, нет ли на бачке трещин и следов деформации. Если замечено какое-либо повреждение, замените бачок.
29. Смажьте новые уплотнительные кольца бачка чистой тормозной жидкостью и вставьте их в соответствующие канавки в корпусе главного тормозного цилиндра. Проследите за тем, чтобы они сели в канавки.
30. Смажьте патрубки бачка чистой тормозной жидкостью и установите бачок на корпус главного тормозного цилиндра, нажав на него сверху вниз.
31. Вставьте новые шпильки фиксации бачка. Следите за тем, чтобы не повредить бачок или корпус главного тормозного цилиндра.
32. Проверьте диафрагму бачка и пробку на наличие трещин и деформации. Любые поврежденные детали замените новыми и прикрепите диафрагму к крышке (см. иллюстрацию).
7.32. Установите в пробку диафрагму
Примечание. При снятии главного тормозного цилиндра всякий раз необходимо проводить полную прокачку гидравлической системы. Можно уменьшить время, необходимое для прокачки системы, если заполнить главный тормозной цилиндр тормозной жидкостью и прокачать его на верстаке (см. пп. 33-36) перед тем, как установить его на автомобиль.
33. Вставьте заглушки с резьбой нужного размера в выпускные отверстия тормозных магистралей и залейте в бачки тормозную жидкость. Необходимо поддерживать тормозной цилиндр так, чтобы тормозная жидкость не пролилась во время процедуры прокачки на верстаке.
34. Ослабляйте по одной заглушке и проталкивайте узел поршня в ствол так, чтобы вытеснять воздух из главного тормозного цилиндра. Чтобы предотвратить обратное втягивание воздуха в цилиндр, соответствующую заглушку следует установить на прежнее место перед тем, как дать возможность поршню вернуться в его первоначальное положение.
35. Сделайте 3-4 прохода поршнем на каждом выходном отверстии, чтобы обеспечить удаление всего попавшего в цилиндр воздуха.
36. Поскольку в процедуру прокачки на верстаке не входит использование высокого давления, существует альтернатива снятию и установке заглушек на каждом проходе поршня. Перед заталкиванием поршня полностью снимите одну из заглушек. Перед тем, как отпустить поршень, вместо установки заглушки на прежнее место плотно прикройте пальцем отверстие, чтобы не дать воздуху попасть обратно в главный тормозной цилиндр. Подождите несколько секунд, чтобы тормозная жидкость втянулась из бачка в ствол поршня, затем повторите процедуру. Когда вы нажимаете на поршень, он будет выталкивать ваш палец из отверстия, давая возможность воздуху выходить. Когда из отверстия будет выходить только тормозная жидкость, установите заглушку на прежнее место и продолжайте прокачку на другом отверстии.
37. Залейте тормозную жидкость в бачки главного цилиндра и установите диафрагму и пробку. Примечание. Для предотвращения переливания при установке крышки бачки следует заполнять только до верха разделителя бачков.
Установка
38. Аккуратно установите главный тормозной цилиндр, проведя процедуру разборки в обратном порядке, залейте в резервуар тормозную жидкость рекомендуемого типа (см. главу 1, раздел 4), затем прокачайте тормоза у главного тормозного цилиндра и у каждого колеса (см. раздел 9).
[Оригинал статьи находится на сайте: CHEVYMAN.ru]
