Снятие
1. Отсоедините провод от отрицательного вывода аккумуляторной батареи.
2. Снимите поликлиновой ремень (см. главу 1, раздел 21).
3. Поднимите переднюю часть автомобиля и надежно укрепите ее на стойках. Во избежание падения автомобиля со стоек затяните стояночный тормоз и заблокируйте задние колеса.
4. Снимите амортизатор (см. раздел 11).
5. Слейте масло из двигателя (см. главу 1, раздел 12).
6. Снимите крышку маховика (см. главу 2, часть 2.3, иллюстрации 5.13а, 5.13б и 5.13в).
7. Снимите стартер (см. главу 5, раздел 16).
8. Подоприте двигатель снизу домкратом. Расположите опорную площадку домкрата непосредственно под установочным кронштейном заднего моста (см. иллюстрацию).
15.8. Чтобы снять масляный картер, приподнимите двигатель домкратом, расположив его опорную площадку непосредственно под опорой
9. Отверните болты крепления двигателя к опоре (см. иллюстрацию).
15.9. Вывернув эти три болта (показаны стрелками) из опоры двигателя, приподнимите двигатель настолько, чтобы открылся доступ к болтам крепления масляного картера
10. Слегка приподнимите двигатель домкратом. Отверните болты крепления масляного картера (см. иллюстрацию), затем осторожно отделите его от блока цилиндров. Во избежание повреждения уплотняющей поверхности на фланце и, как следствие, утечки масла из двигателя, не допускается вставлять рычаг между сопрягающимися поверхностями картера и блока. При необходимости обстучите картер молотком с мягким бойком для отделения от блока цилиндров.
15.11. Болты крепления масляного картера (показаны стрелками) на передней части фланца (со стороны радиатора); болты на задней части фланца имеют аналогичное расположение
Установка
12. Очистите картер с помощью растворителя и удалите с сопрягающихся поверхностей остатки материала старой прокладки и герметика, проверьте чистоту болтовых отверстий в блоке цилиндров. Проверьте фланец на наличие коробления, особенно вокруг болтовых отверстий. При необходимости обоприте поддон на деревянный брусок и с помощью молотка выровняйте поверхность фланца.
13. При установке поддона картера обязательно замените старую прокладку. Нанесите на переднюю часть прокладки в том месте, где она соприкасается с передним колпаком, слой герметика, полимеризующегося при комнатной температуре.
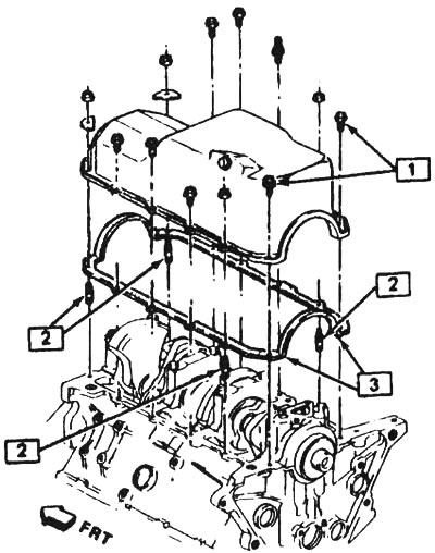
14. Установите картер на блок цилиндров и заверните болты (гайки) (см. иллюстрацию).
15.14. Узел поддона картера: 1 - Затянуть моментом 18 футо-фунтов; 2 - Затянуть моментом 13 футо-фунтов (остальные болты - моментом 89 дюймо-фунтов); 3 - На это место нанести каплю герметика, полимеризующегося при комнатной температуре
15. Затяните болты моментом, указанным в технических условиях, приведенных в данной главе. Окончательная затяжка производится в три этапа, начиная с центра, крест-накрест.
16. Остальные операции выполняются в обратном порядке.
17. Заправьте двигатель маслом, запустите его, дайте прогреться до нормальной рабочей температуры и проверьте отсутствие утечек.
Оригинальная версия статьи на сайте: chevyman.ru
